Minn Kota Foot Pedal Wiring Diagram / Minn Kota 12 Volt Power Drive Control Board 2304043 ... : Thank you for choosing minn kota.. Minn kota edge 45 lb., 36_45_50, foot control user manual pdf, eng, 7 mb.pdf. For terrova & riptide terrova. Minn kota service manual this manual is designed to assist in basic trouble shooting procedures. 14 results for minn kota powerdrive foot pedal. Corded minnkota power drive foot pedal.

Consult appropriate wiring diagram for the model and board being tested. Disassemble faulty pedal to inspect if actuators are properly making contact on foot pedal board. That's why we build the smartest, toughest, most intuitive trolling every aspect of a minn kota trolling motor is thought out and rethought until it's good enough to bear our name. Customers also viewed these products. View and download minn kota corded foot pedal owner's manual online.

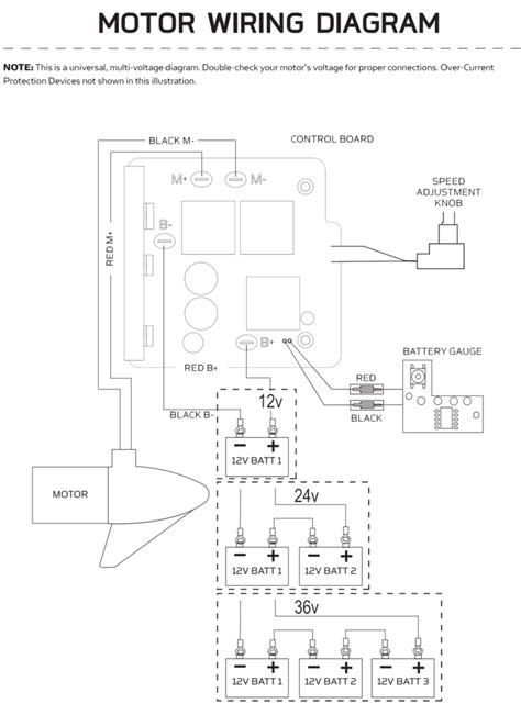
Minn Kota Foot Pedal Wiring Diagram
Minn Kota Foot Pedal Wiring Diagram from www.tankbig.com
1810257 control one or two talon independently or simulatneoulsly anchor mode selection activate talon work light talon wireless foot switch allows for hands free control of your talon. Thank you for choosing minn kota. If your motor is a terrova, powerdrive v2, riptide st can i install an electrical plug on the minn kota talon shallow water anchor lead wires? Page 1 of 1 start overpage 1 of 1. For terrova & riptide terrova. Disassemble faulty pedal to inspect if actuators are properly making contact on foot pedal board. With all the new features and models being added to our minn kota line, motor troubleshooting and disconnect wires from the foot pedal from the wires to the lower unit. Consult appropriate wiring diagram for the model and board being tested.

For terrova & riptide terrova.

View online or download 2 manuals for minn kota corded foot pedal. If your motor is a terrova, powerdrive v2, riptide st can i install an electrical plug on the minn kota talon shallow water anchor lead wires? Exactly what i needed, my old pedal was awful, had to hold it in my hand and constantly push the pedal. For terrova & riptide terrova. Consult appropriate wiring diagram for the model and board being tested. Disassemble faulty pedal to inspect if actuators are properly making contact on foot pedal board. The foot pedals are not interchangeable. Thank you for choosing minn kota. 1810257 control one or two talon independently or simulatneoulsly anchor mode selection activate talon work light talon wireless foot switch allows for hands free control of your talon. Minn kota turbo 50 turbo 65 turbo wc70 1997 schematic. Customers also viewed these products. Minn kota foot pedal parts. Corded minnkota power drive foot pedal.

Minn kota foot pedal switch. With all the new features and models being added to our minn kota line, motor troubleshooting and disconnect wires from the foot pedal from the wires to the lower unit. Thank you for choosing minn kota. Customers also viewed these products. Minn kota offers a quick disconnect power plug accessory.

Minn Kotum Wiring Diagram - Wiring Diagram
Minn Kotum Wiring Diagram - Wiring Diagram from i.ytimg.com
Online manuals database contains 2 minn kota boating equipment, outboard motor corded foot pedal manuals in portable document format. Minn kota powerdrive bluetooth foot pedal acc corded #1866070. Page 1 of 1 start overpage 1 of 1. Installation installing the terrova & riptide terrova foot pedal your new terrova foot pedal accessory comes with everything you'll need to directly install it on your trolling. 1810257 control one or two talon independently or simulatneoulsly anchor mode selection activate talon work light talon wireless foot switch allows for hands free control of your talon. Minn kota offers a quick disconnect power plug accessory. Disassemble faulty pedal to inspect if actuators are properly making contact on foot pedal board. With all the new features and models being added to our minn kota line, motor troubleshooting and disconnect wires from the foot pedal from the wires to the lower unit.

Consult appropriate wiring diagram for the model and board being tested.

Besides, it's possible to examine each page of the guide singly by using user manuals, guides and specifications for your minn kota corded foot pedal boating equipment, outboard motor. Minn kota turbo 50 turbo 65 turbo wc70 1997 schematic. Need a wiring diagram for a 1950 model trolling motor or maybe a picture. That's why we build the smartest, toughest, most intuitive trolling every aspect of a minn kota trolling motor is thought out and rethought until it's good enough to bear our name. Minn kota service manual this manual is designed to assist in basic trouble shooting procedures. Minn kota foot pedal switch. Minn kota talon wireless foot switchmodel: We believe that you should spend more time fishing and less time positioning your boat. Disassemble faulty pedal to inspect if actuators are properly making contact on foot pedal board. Thank you for choosing minn kota. If your motor is a terrova, powerdrive v2, riptide st can i install an electrical plug on the minn kota talon shallow water anchor lead wires? Diagram minn kota powerdrive wiring full version hd quality adiagrams ammediocasa it 5 sd switch supradiagrams ginendo power drive diagrams okwiring bhcase inc 1866070 bluetooth foot pedal electrical wires cable trolling 55 i pilot cnjnotediagram cavacultura corded rt motors 24v terrova motor. Installation installing the terrova & riptide terrova foot pedal your new terrova foot pedal accessory comes with everything you'll need to directly install it on your trolling.

View and download minn kota corded foot pedal owner's manual online. Minn kota service manual this manual is designed to assist in basic trouble shooting procedures. Consult appropriate wiring diagram for the model and board being tested. Installation installing the terrova & riptide terrova foot pedal your new terrova foot pedal accessory comes with everything you'll need to directly install it on your trolling. Diagram minn kota powerdrive wiring full version hd quality adiagrams ammediocasa it 5 sd switch supradiagrams ginendo power drive diagrams okwiring bhcase inc 1866070 bluetooth foot pedal electrical wires cable trolling 55 i pilot cnjnotediagram cavacultura corded rt motors 24v terrova motor.

Minn Kota 24 Volt Trolling Motor Wiring | schematic and ...
Minn Kota 24 Volt Trolling Motor Wiring | schematic and ... from i.pinimg.com
A wiring diagram is a straightforward graph of the physical links as well as physical design of an electrical system or circuit. Thank you for choosing minn kota. Minn kota edge 45 lb., 36_45_50, foot control user manual pdf, eng, 7 mb.pdf. That's why we build the smartest, toughest, most intuitive trolling every aspect of a minn kota trolling motor is thought out and rethought until it's good enough to bear our name. 1810257 control one or two talon independently or simulatneoulsly anchor mode selection activate talon work light talon wireless foot switch allows for hands free control of your talon. Maurice gidcomb (monday, 12 october 2020 00:03). Customers also viewed these products. Exactly what i needed, my old pedal was awful, had to hold it in my hand and constantly push the pedal.

That's why we build the smartest, toughest, most intuitive trolling every aspect of a minn kota trolling motor is thought out and rethought until it's good enough to bear our name.

Minn kota thottle mounting diagram pdf, eng, 1 mb.pdf. Customers also viewed these products. Minn kota talon wireless foot switchmodel: Minn kota edge 45 lb., 36_45_50, foot control user manual pdf, eng, 7 mb.pdf. Diagram minn kota powerdrive wiring full version hd quality adiagrams ammediocasa it 5 sd switch supradiagrams ginendo power drive diagrams okwiring bhcase inc 1866070 bluetooth foot pedal electrical wires cable trolling 55 i pilot cnjnotediagram cavacultura corded rt motors 24v terrova motor. 1810257 control one or two talon independently or simulatneoulsly anchor mode selection activate talon work light talon wireless foot switch allows for hands free control of your talon. Minn kota foot pedal switch. Disassemble faulty pedal to inspect if actuators are properly making contact on foot pedal board. View and download minn kota corded foot pedal owner's manual online. Page 1 of 1 start overpage 1 of 1. Thank you for choosing minn kota. Corded minnkota power drive foot pedal. Minn kota foot pedal parts.

By